

EGM型

| 型 式 | コード No. |
|---|---|
| EGM-10S-4-2C | 103809 |
| EGM-10S-4-4C | 103810 |
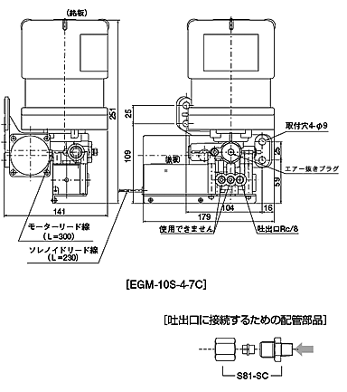
| EGM-10S-4-7C | 103811 |
| ポンプ | |||
| 吐出量 | 10ml/min | ||
|---|---|---|---|
| 吐出圧力 | 10MPa(安全弁設定圧) | ||
| 電圧/電流DC24V | |||
| モーター | 脱圧ソレイド | 合計 | |
| 20W/0.8A | 26W/1.1A | 46W/1.9A | |
| 最大通過時間 | 通電時間 7分30秒以下 | ||
| 通電率 | 25%以下(20℃) | ||
| 使用稠度範囲 | カートリッジグリスNo.000、00、0、1 | ||
| 推奨グリス | MP0、FS2、MT1 | ||
| カートリッジ容量 | 200ml、400ml、700mlカートリッジ | ||
| 質量 | 1.8kg(4C)、2.8kg(7C) | ||
| 脱圧装置 | 脱圧ソレイド内蔵 | ||
| CE規格 | 対応 | ||
| ● | このポンプユニットは制御回路が別に必要になります |
| ● | メーカー推奨のカートリッジグリスを使用してください。 |
| ● | 二硫化モリブデン入のグリスは絶対に使用しないでください。 |
| ● | リチューム系グリスを使用してください。 (リチューム系グリス以外の場合はご相談ください。) |
| ● | 真鍮およびゴムを侵す成分の入ったグリスは使用しないでください。 |
| ● | カートリッジ交換時には異物混入に十分ご注意ください。 |
| ● | 連続運転はしないでください。 |
| ● | カートリッジ交換後は必ずエアー抜きプラグを開いてエアー抜きを行ってください。 |




