

オイル関連生産完了品
MO型定量バルブ用ジャンクション PV型

代替品はこちらへ
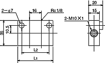
MO型定量バルブを取付けて分岐する場合に用います。
| 型 式 | コードNo. | 仕 様 |
|---|---|---|
| PV-1 | 206481 | シングル型1口用 |

| 型式 | コードNo. | 仕 様 | L1 | L2 |
|---|---|---|---|---|
| PV-2 | 206482 | シングル型2口用 | 49 | 38 |
| PV-3 | 206483 | シングル型3口用 | 65 | 54 |
| PV-4 | 206484 | シングル型4口用 | 81 | 70 |
| PV-5 | 206485 | シングル型5口用 | 97 | 86 |
| PV-6 | 206486 | シングル型6口用 | 113 | 102 |
| PV-7 | 206487 | シングル型7口用 | 129 | 118 |
| PV-8 | 206489 | シングル型8口用 | 145 | 134 |

| 型 式 | コードNo. | 仕 様 |
|---|---|---|
| PV-2D | 206491 | ダブル型2口用 |

| 型 式 | コードNo. | 仕 様 | L1 | L2 |
|---|---|---|---|---|
| PV-4D | 206492 | ダブル型4口用 | 49 | 38 |
| PV-6D | 206493 | ダブル型6口用 | 65 | 54 |
| PV-8D | 206494 | ダブル型8口用 | 81 | 70 |
| PV-10D | 206495 | ダブル型10口用 | 97 | 86 |
| PV-12D | 206496 | ダブル型12口用 | 113 | 102 |
